
MIL-C-60898/11(MU)
3.4.4 Pulse transformers.
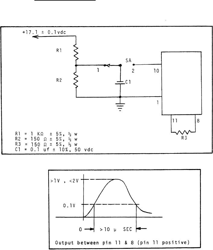
With the terminations to the board
connected as shown in Figure 3, the output between pin 11 (+)
and pin 8 (-) shall be as shown in Figure 4 when switch A of
Figure 4 is placed in position 2.
Figure
3
Figure
4
5
For Parts Inquires call Parts Hangar, Inc (727) 493-0744
© Copyright 2015 Integrated Publishing, Inc.
A Service Disabled Veteran Owned Small Business