
MIL-T-48599(MU)
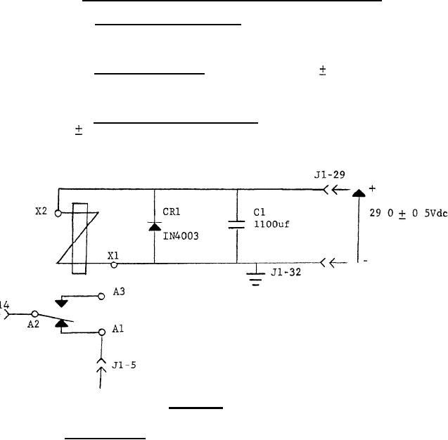
3.4.2.2 Intermittent switching charge maintenance circuit.
3.4.2.2.1 Conditions of operations.- Unless otherwise stated, the
requirements of 3.4.2.2 shall be met with the test configuration shown
in Figure 1.
3.4.2.2.2 Charge maintenance.- After the 29.0
,5 Vdc has been
removed from between J1-29 and J1-32, the relay shall maintain contact
at Al for at least 0.2 seconds. See Figure 1.
3.4.2.2.3 Relay and Diode resistances.- The relay resistance shall
be 190 ohms
2%, and the diode shall have a forward bias resistance of
5 ohms maximum.
FIGURE 1
3.4.3 Wire (hookup).- Standard conductors of suitable degrees of
flexibility shall be used whenever practicable within the requirements
of this specification. Hookup wire shall be of such cross section and
temper as to provide ample and safe current-carrying capacity and
mechanical strength. In general, wire shall not be smaller than AWG
No. 22. Wire directly associated with the primary power circuit shall
be of a size consistent with the current requirements of the circuit.
When it can be demonstrated that the use of smaller hookup wire will
result in no loss of performance and at the same time will produce
benefits, such as reduction in weight or improved accessibility,
smaller wire may be used. This provision is made specifically to
permit the use of smaller wire in cables having a large number of
wires and having adequate support against adverse effects of vibration.
The size of wire leads supplied with parts shall be controlled by the
specifications for these parts.
5
For Parts Inquires call Parts Hangar, Inc (727) 493-0744
© Copyright 2015 Integrated Publishing, Inc.
A Service Disabled Veteran Owned Small Business