
MIL-C-70512(AR)
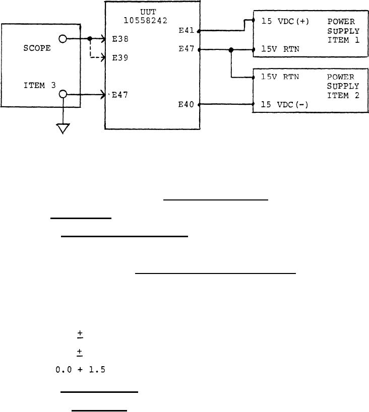
FIGURE I.
Circuit connections.
3.5 Performance.
3.5.1 Conditions of operation. Unless otherwise specified,
the requirements of 3.5.2 shall be met with the circuit connec-
tions shown in Figure 1.
TABLE II.
Pulse voltage characteristics.
FALL TIME
RISE TIME
PULSE
1/2 CYCLE PERIODS
LINE
EXCURSION VDC
SECONDS
MICROSEC
MICROSEC
0.0 + l.O
0.32
0.1
0.1
1
TO
TO
13.0
1.0
0.65
1.0
0.32
-13.0
0.1
0.1
TO
TO
2
0.65
3.5.2 Output signals.
3.5.2.1 +13v Pulse. With conditions of 3.5.1 applied and the
oscilloscope connected between E38 and E47, observe a square wave
in accordance with line 1 of Table II.
5
For Parts Inquires call Parts Hangar, Inc (727) 493-0744
© Copyright 2015 Integrated Publishing, Inc.
A Service Disabled Veteran Owned Small Business